Атол 30Ф не включается (заводской брак)
Блок питания (БП, зарядка) 100V-240V (C5) UK, EUR шнур (200dpi) Zebra TLP 3842 (Input 100-240Vac, 2A, 50-60Hz, DC Output 20V, 3A, 60W MAX)
Запчасть на сборочном чертеже под номером: не указана
Количество запчастей в комплекте: 1
Название запчасти Zebra на английском языке: Power Supply, 100V-240V (C5) with UK, EUR Cords (200dpi)
Блок питания (БП, зарядка) 100V-240V (C5) UK, EUR шнур (200dpi) Zebra TLP 3842 (Input 100-240Vac, 2A, 50-60Hz, DC Output 20V, 3A, 60W MAX) (аналог)
Запчасть на сборочном чертеже под номером: не указана
Количество запчастей в комплекте: 1
Название запчасти Zebra на английском языке: Power Supply, 100V-240V (C5) with UK, EUR Cords (200dpi) P1028888-001
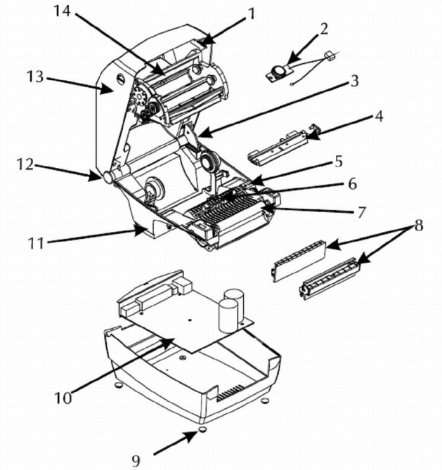
Резиновый вал в сборе Zebra TLP 3842
Запчасть на сборочном чертеже под номером: 7
Количество запчастей в комплекте: 3
Название запчасти Zebra на английском языке: Platen Kit, std.
Датчик черной метки/промежутков PCBA Zebra TLP 3842
Запчасть на сборочном чертеже под номером: 6
Количество запчастей в комплекте: 3
Название запчасти Zebra на английском языке: Gap / Blackline Sensor PCBA
Маркировки на датчике: 403001G-001J, 403000G-004P
Ethernet порт с кабелями Zebra TLP 3842
Запчасть на сборочном чертеже под номером: 10
Количество запчастей в комплекте: 1
Название запчасти Zebra на английском языке: Kit, Ethernet IO PCBA with cables
Вал риббона 4" Zebra TLP 3842
Запчасть на сборочном чертеже под номером: не указана
Количество запчастей в комплекте: 50
Название запчасти Zebra на английском языке: Ribbon Core, 4 thermal transfer
Верхняя крышка в сборе Zebra TLP 3842
Запчасть на сборочном чертеже под номером: 13
Количество запчастей в комплекте: 1
Название запчасти Zebra на английском языке: Upper Cover Assy.
Материнская плата (системная плата, главная плата логики) с дополнительной памятью (Азиатский, порты: Ethernet, последовательный, USB) Zebra TLP 3842
Запчасть на сборочном чертеже под номером: 10
Количество запчастей в комплекте: 1
Название запчасти Zebra на английском языке: Main Control PCBA, Full Mem. (Asian) Ethernet/Ser./USB
Материнская плата (системная плата, главная плата логики) с дополнительной памятью (Азиатский, порты: параллельный, последовательный, USB) Zebra TLP 3842
Запчасть на сборочном чертеже под номером: 10
Количество запчастей в комплекте: 1
Название запчасти Zebra на английском языке: Main Control PCBA, Full Mem. (Asian) Par./Ser./USB
Двигатель в сборе Zebra TLP 3842
Запчасть на сборочном чертеже под номером: не указана
Количество запчастей в комплекте: 2
Название запчасти Zebra на английском языке: Motor, Assy.
Диск с программным обеспечением и документацией Zebra TLP 3842
Запчасть на сборочном чертеже под номером: не указана
Количество запчастей в комплекте: 1
Название запчасти Zebra на английском языке: CD-ROM, EPL Desktop Printers Software & Documentation
Диск с сервисной документацией Zebra TLP 3842
Запчасть на сборочном чертеже под номером: не указана
Количество запчастей в комплекте: 1
Название запчасти Zebra на английском языке: CD-ROM, Service Documentation
Задняя заглушка Zebra TLP 3842
Запчасть на сборочном чертеже под номером: 10
Количество запчастей в комплекте: 1
Название запчасти Zebra на английском языке: Kit, 4 Ethernet Back Panel
Защелка Zebra TLP 3842
Запчасть на сборочном чертеже под номером: 1
Количество запчастей в комплекте: 1
Название запчасти Zebra на английском языке: Latch Assy.
Источник питания, 100V-240V (C5) US, EUR шнур (200dpi) для принтера Zebra TLP 3842 (Input 100-240Vac, 2A, 50-60Hz, DC Output 20V, 3A, 60W MAX)
Запчасть на сборочном чертеже под номером: не указана
Количество запчастей в комплекте: 1
Название запчасти Zebra на английском языке: Power Supply, 100V-240V (C5) with US, EUR Cords (200dpi)
Сетевой кабель Euro 220V, IEC320C5 Zebra TLP 3842
Запчасть на сборочном чертеже под номером: не указана
Количество запчастей в комплекте: 5
Название запчасти Zebra на английском языке: Power Cord, Euro 220V, IEC320C5
Сетевой кабель U.K. 240V, IEC320C5 Zebra TLP 3842
Запчасть на сборочном чертеже под номером: не указана
Количество запчастей в комплекте: 5
Название запчасти Zebra на английском языке: Power Cord, U.K. 240V, IEC320C5
Сетевой кабель U.S. 120V, IEC320C5 Zebra TLP 3842
Запчасть на сборочном чертеже под номером: не указана
Количество запчастей в комплекте: 5
Название запчасти Zebra на английском языке: Power Cord, U.S. 120V, IEC320C5
Каретка риббона без термоголовки Zebra TLP 3842
Запчасть на сборочном чертеже под номером: не указана
Количество запчастей в комплекте: 1
Название запчасти Zebra на английском языке: Ribbon Carriage w/o Printhead
Набор кабелей для термопечатающей головки Zebra TLP 3842
Запчасть на сборочном чертеже под номером: не указана
Количество запчастей в комплекте: 1
Название запчасти Zebra на английском языке: Print Head Cable Assy.
Нижняя рама в сборе Zebra TLP 3842
Запчасть на сборочном чертеже под номером: 11
Количество запчастей в комплекте: 1
Название запчасти Zebra на английском языке: Bottom Frame Assy.
Ножки резиновые Zebra TLP 3842
Запчасть на сборочном чертеже под номером: 9
Количество запчастей в комплекте: 24
Название запчасти Zebra на английском языке: Rubber Foot Kit
Автоотрезчик Zebra TLP 3842
Запчасть на сборочном чертеже под номером: не указана
Количество запчастей в комплекте: 1
Название запчасти Zebra на английском языке: Cutter Replacement Kit
Передняя панель с диспенсером Zebra TLP 3842
Запчасть на сборочном чертеже под номером: 8
Количество запчастей в комплекте: 1
Название запчасти Zebra на английском языке: Front Bezel, Dispenser
Передняя панель стандартная Zebra TLP 3842
Запчасть на сборочном чертеже под номером: 8
Количество запчастей в комплекте: 10
Название запчасти Zebra на английском языке: Front Bezel, std.
Петля крышки Zebra TLP 3842
Запчасть на сборочном чертеже под номером: 12
Количество запчастей в комплекте: 10
Название запчасти Zebra на английском языке: Cover Hinge
Печатающая головка термопринтера Zebra TLP 3842 (300 dpi)
Запчасть на сборочном чертеже под номером: 4
Количество запчастей в комплекте: 1
Название запчасти Zebra на английском языке: Printhead Assy., (300 dpi)
Датчик отключения подачи этикетки Zebra TLP 3842
Запчасть на сборочном чертеже под номером: 2
Количество запчастей в комплекте: 3
Название запчасти Zebra на английском языке: Feed Switch / Sensor Assy.
Датчик подъема термоголовки Zebra TLP 3842
Запчасть на сборочном чертеже под номером: 5
Количество запчастей в комплекте: 1
Название запчасти Zebra на английском языке: Head Up Sensor
Товаров: 0
На сумму: 0

Компания Zipstore.ru является оптовым и розничным поставщиком запчастей для термопринтеров этикеток начального класса Zebra TLP 3842 с термотрансферной и термопечатью. Серия TLP 3842 представлена компактными принтерами с разрешающей способностью 300 dpi и шириной печати до 104 мм. Преимуществом термопринтеров является возможность подключения сетевой карты ZebraNet PrintServer II, а также таких опций, как отделитель и отрезчик, оптимизирующих процесс печати. Обмен данными с компьютерными устройствами осуществляется при помощи интерфейсов RS232, Centronics и USB. Конструкционной особенностью серии TLP 3842 является механизм Open ACCESS, обеспечивающий быстрый доступ к термоголовке, что позволяет даже неопытному пользователю быстро и легко производить замену расходных материалов. Драйверы Windows и современный язык программирования обеспечивают быструю интеграцию в любую открытую систему.
В нашем интернет-магазине представлены все ходовые запчасти для термопринтеров этикеток Zebra TLP 3842: термоголовки, датчики, двигатели, материнские платы, ролики и многое другое. Также Вы можете выбрать опции и аксессуары, расширяющие стандартную комплектацию принтера.
В каталоге сайта компании Zipstore представлены оригинальные запчасти и их аналоги для настольных термопринтеров этикеток Zebra TLP 3842. Помимо комплектующих Вы также можете приобрести разнообразные опции, чистящие наборы и аксессуары. Компания-производитель принтеров Zebra Technologies рекомендует использовать для повышения качества печати оригинальные расходные материалы. Найти нужную запчасть в каталоге можно при помощи поиска или по названию. Комплектующие также могу иметь каталожный номер, фотографию, краткое описание или перечень моделей принтеров, с которыми она совместима. Розничные цены на сайте указаны в рублях и долларах с НДС. Чтобы узнать оптовые цены на запчасти к термопринтерам начального класса Zebra TLP 3842, необходимо отправить запрос по электронной почте.
Для оформления заказа вы можете выбрать один из следующих способов:
Мы осуществляем поставку запчастей для принтеров этикеток начального класса Zebra TLP 3842 во все города России, а также в Украину, Казахстан, Республику Беларусь и другие страны СНГ. Стоимость доставки из-за небольшого веса большинства комплектующих мало сказывается на конечной цене.
Покупки в нашем магазине осуществляются за наличный и безналичный расчет. Более подробную информацию о заказе, способах доставки и оплате Вы можете найти в разделе «Оплата и доставка». В разделе «%Скидки и акции» представлены наиболее интересные предложения по продаже запчастей, а также сезонные распродажи, акции и скидки.
Информацию технического характера по вопросам эксплуатации, обслуживания и ремонта настольных принтеров этикеток Zebra TLP 3842 можно найти в разделе "Инструкции и ПО для термопринтеров Zebra". Проконсультироваться со специалистами и запросить более подробные технические характеристики и сертификаты Вы можете на форуме сайта.
Вы можете к нам обратиться для проведения ремонтных работ компактных принтеров этикеток Zebra TLP 3842. Мы также проводим профилактическое обслуживание и диагностику термопринтеров. Нашим преимуществом является возможность срочного ремонта в кратчайшие сроки благодаря наличию ходовых запчастей на складе.